

Solicitud
La pesadora 4th G de tres capas y 16 cabezas es adecuada para pesar diversos materiales granulares, escamosos, redondos e irregulares, hardware, etc.

Caracteristicas
1. Célula de carga especial con alta precisión y alto nivel.
2. Módulo de tablero eléctrico, y con modo estable de muestreo múltiple inteligente, hace que el pesaje sea más preciso.
3. Alarma de falla inteligente, conveniente para el mantenimiento.
4. Función de descarga escalonada de alta velocidad, previene eficazmente el bloqueo de materiales.
5. Nuevo dise?o modular altamente integrado, utilizando tecnología CAN bus.
6. El protocolo de comunicación estándar industrial Modbus realiza la interfaz de la máquina de embalaje y pesadora multicabezal.
Carácter mecánico
1. La bandeja vibratoria principal se puede utilizar para dos tipos de materiales mixtos.
2. Con vibrador principal independiente, controle respectivamente el espesor de diferentes materiales.
3. El nuevo cubo de memoria para hacer el almacenamiento de material de pesaje, aumentar la probabilidad combinada y mejorar efectivamente la precisión.
4. La soldadura integral de la carcasa de la máquina y el asiento central mejoran enormemente
la fuerza de la máquina, hace que la tolva sea más corta el tiempo estable.
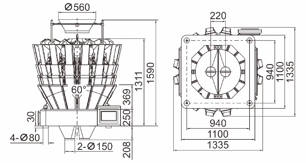
Especificación técnica
| Modelo | JW-A16 |
| Código de identificación | A16-4-2 |
| Rango de pesaje | 10-1000g |
| Exactitud | X (0,5) |
| Máxima velocidad | 120x2P / M |
| Volumen de la tolva | 1,6 litros |
| Panel de control | Pantalla táctil de 10,1 " |
| Opciones | Placa de hoyuelos / Tolva de sincronización / Impresora / Dispositivo de rechazo |
| Sistema de conducción | Motor paso a paso |
| Requisitos de energía | 220V / 2300W / 50 / 60Hz / 11A |
| Dimensión de embalaje (mm) | 1860 (largo) x 1200 (ancho) x1540 (alto) |
| Peso bruto | 650 kg |



