

2nd G La pesadora de cinta de un solo cabezal es adecuada para azúcar moreno, sal industrial y otros materiales con ligera viscosidad, así como granos de maíz frescos, coliflor, rodajas de cebolla y otros productos en bloque, cortados en cubitos, tallo y otros vegetales.

1. Gran nuevo sistema de control modular.
2. El parámetro se puede ajustar libremente según la producción.
3. Adopte el modo de alimentación continua para controlar el flujo de materiales en tiempo real para garantizar un pesaje preciso.
1. Toda la máquina está hecha de materiales de acero inoxidable de calidad alimentaria para garantizar la higiene y seguridad de los alimentos.
2. Bandas transportadoras personalizadas de grado alimenticio para satisfacer las diferentes necesidades de aplicación de diferentes materiales.
3. Estructura fácil de quitar para un fácil mantenimiento y limpieza.
4. Celda de carga especial personalizada para mejorar la precisión del pesaje.
5. Equipado con puertas independientes, realiza automáticamente la apertura y cierre de la puerta de acuerdo con la retroalimentación de la se?al.
6. Las piezas de contacto con el material se pueden desmontar rápidamente.
| Modelo | JW-AX1 |
| Código de identificación | XM1-2-2 |
| Rango de pesaje | 500-12000g |
| Exactitud | X (1) |
| Máxima velocidad | 8P / M |
| Volumen de la tolva | 15L |
| Parámetros Presione No. | 100 |
| Max productos mezclados | 1 |
| Panel de control | Pantalla táctil de 7 " |
| Opciones | Placa de hoyuelos / Tolva de sincronización / Impresora / Dispositivo de rechazo |
| Requisitos de energía | 220V / 250W / 50 / 60Hz / 1.2A |
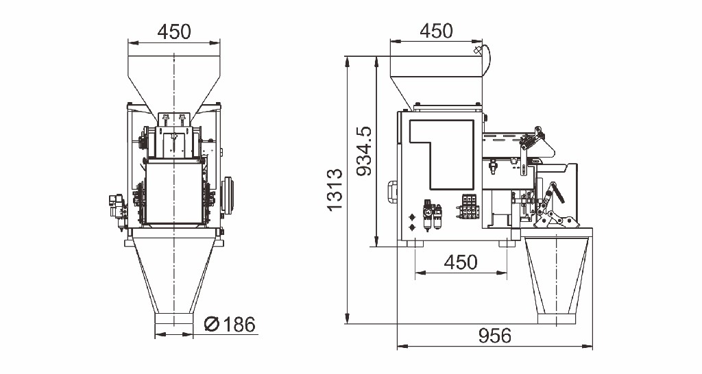
| Dimensión de embalaje (mm) | 1150 (largo) x700 (ancho) x1090 (alto) |
| Peso bruto | 200 kg |



