

2-й ленточный весовой дозатор с одной головкой подходит для коричневого сахара, технической соли и других материалов с небольшой вязкостью, а также для свежих зерен кукурузы, цветной капусты, ломтиков лука и других блочных, нарезанных кубиками, стеблей и других овощных продуктов.

1. Грандиозная новая модульная система управления.
2. Параметр можно свободно регулировать в зависимости от производства.
3. Используйте бесступенчатый режим подачи для управления потоком материалов в реальном времени и обеспечения точного взвешивания.
1. Вся машина изготовлена из пищевой нержавеющей стали для обеспечения гигиены и безопасности пищевых продуктов.
2. Изготовленные на заказ конвейерные ленты для пищевых продуктов для различных применений из различных материалов.
3. Легко снимаемая конструкция для легкого обслуживания и очистки.
4. Индивидуальный специальный датчик нагрузки для повышения точности взвешивания.
5. Оснащены независимыми воротами, автоматически открывают и закрывают ворота в соответствии с сигналом обратной связи.
6. Детали, контактирующие с материалом, можно быстро разобрать.
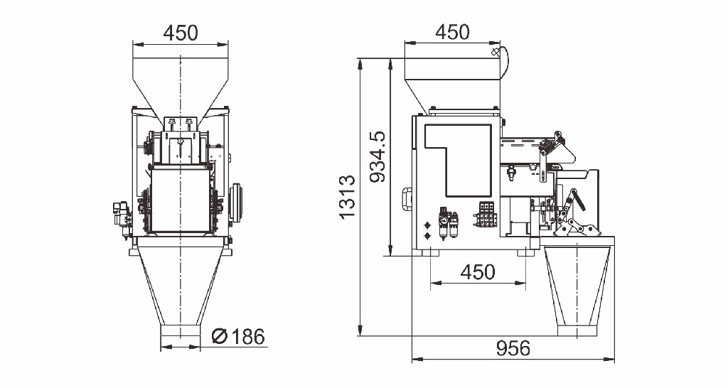
| Модель | JW-AX1 |
| Определить код | XM1-2-2 |
| Диапазон взвешивания | 500-12000g |
| точность | Х (1) |
| Максимальная скорость | 8 ВЕЧЕРА |
| Объем бункера | 15л |
| Параметры Нажмите No. | 100 |
| Максимальное количество смешанных продуктов | 1 |
| Панель управления | 7-дюймовый сенсорный экран |
| Параметры | Пластина с углублениями / бункер для синхронизации / принтер / устройство для отбраковки |
| Требования к мощности | 220V / 250W / 50/60 Гц / 1.2A |
| Размер упаковки (мм) | 1150 (L) X700 (W) x1090 (H) |
| Общий вес | 200кг |



