

??????? ????? ?????? ?? 14 ????? ?? ????? ???????? ????? ?????? ??? ??????? ??????? ?????? ?? ????? ? ??? ????? ?????? ??????? ??????? ???? ???? ?? ????? ?? ?????? ?? 60 ????? ? ??? ????? ????? ? ???? ?????? ? ???.

1. ???? ????? ???? ???? ????? ??????? ?????.
2. ????? ??????? ???????? ???? ?? ???? ?? ??? ??????? ? ????? ?????? ????? ?????? ?????.
3. ?? ???? ????? ???? ?????? ???????? ?????? ????? ??????? ?????.
4. ????? ?????? ?? ?????? ??????? ????????.
5. ??? 100 ?????? ???? ?? ???? ??????? ????? ???????? ?????? ???????? ???? ????????? ????? ?? ??????? ?????.
1. ???? ???? ???? ?????????????? ?????? ????? ??????.
2. ??? ?????? ??? ???? ????? ?????? ????? ??????.
3. ???? ???? ?????? ????? ???? ????? ?????? ? ???? ???? ?? ????? ????????.
4. ????? ????? ??? ???? ???? ? ???? ????? ???? ???????? ????? ?????? ????? ?????? ? ???? ???????? ? ????? ??? ?????.
5. ??? ????? ??????? ? ?? ??????? ?????? ?? ??? ??????? ???? ?????? ? ????? ??? ?????.
| ????? | JW-A10 | JW-A14 |
| ????? ????? | ?10-16 | ?14-16 |
| ???? ????? | 10 ~ 1000 ???? | 10 ~ 1000 ???? |
| ??? | ? (0.5) | ? (0.5) |
| ?????? ?????? | 40P / ? | 60P / ? |
| ??? ??????? | 1.6 ??? | |
| ???? ?????? | ???? ???? ?????? ???? 7 ????? | |
| ?????? | ???? ????? / ????? ??????? / ??????? / ???? ????? | |
| ???? ??????? | ???? ???? | |
| ??????? ?????? | 110/220 ???? / 1000 ??? / 50/60 ???? / 8 ????? | 110/220 ???? / 1500 ??? / 50/60 ???? / 10 ????? |
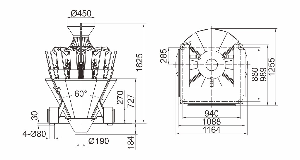
| ????? ??????? (??) | 1620 (???) × 1100 (???) × 1420 (??????) | 1750 (???) × 1160 (???) × 1420 (??????) |
| ????? ???????? | 380 ??? | 490 ??? |



