

????? ????? ????? ???? ?????? ?????? ??????? ? ??? ????? ? ???? ?????? ? ???? ????? ? ??????? ???????? ? ??????? ??????? ? ???.

1. ???? ????? ???? ???? ????? ??????? ?????.
2. ????? ??????? ???????? ???? ?? ???? ?? ??? ??????? ? ????? ?????? ????? ?????? ?????.
3. ?? ???? ?????? ??????? ???????? ???????? ?? ???? ???? ????? ?????.
4. ???? ????? ????? ?????? ???? ????? ? ????? ?? ???? ??????? ???? ???????.
5. 15 ??? ????? ??????? ????????.
6. ??? 100 ?????? ???? ?? ???? ??????? ????? ???????? ? ????? ???????? ???? ????????? ?? ???? ????? ????? ?? ??????? ?????.
1. ????? ???? ???? ???? ??????? ????? ????? ?????? ???????? ????????.
2. ???? ?????? ????? ?????? ??? ????? ?????? ???? ??????.
3. ?? ???? ?????? ????? ??????? ????? ???? ????? ????.
4. 60 ???? ?? ???? ????? ??????? ????? ?? ????? ??? ?????.
5. ???? ???? ??? ????? ????????? ??????? ??????? ?? ??? ????? ? ???? ????? ??????? ??????.
6. ????? ????????? ?? ?????? ?? ??? ????? ? ??????? ?????? ?? ??? ??????? ? ???? ?????? ? ????? ??? ?????.
| ????? | JW-A10 | JW-A12 | JW-A14 |
| ????? ????? | ?10-1-12 | A12-1-12 | A14-1-12 |
| ???? ????? | 10-1000 ???? | 10-1500 ???? | 10-1500 ???? |
| ??? | ??? (0.5) | ??? (0.5) | ??? (0.5) |
| ?????? ?????? | 60P / ? | 100P / ? | 100P / ? |
| ??? ??????? | 1.6 ??? / 2.5 ??? | ||
| ???? ?????? | ???? ???? ?????? ???? 7 ????? | ||
| ?????? | ????? ??????? / ??????? / ???? ????? | ||
| ???? ??????? | ???? ???? | ||
| ??????? ?????? | 220 ???? / 1000 ??? / 50/60 ???? / 10 ????? | 220 ???? / 1200 ??? / 50/60 ???? / 10 ????? | 220 ???? / 1500 ??? / 50/60 ???? / 10 ????? |
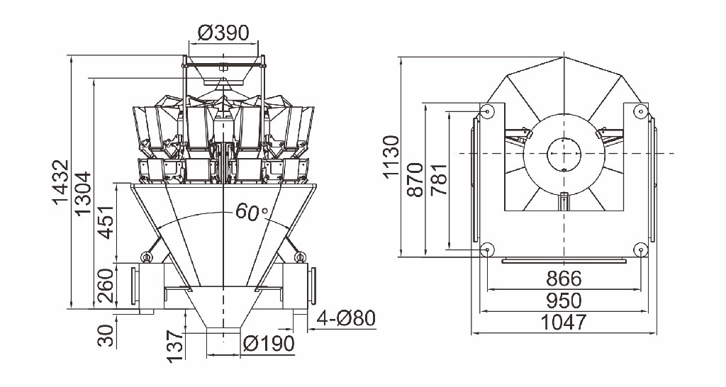
| ????? ??????? (??) | 1620 (???) × 1100 (???) × 1420 (??????) | 1700 (???) × 1100 (???) × 1130 (??????) | 1750 (???) × 1130 (???) × 1420 (??????) |
| ????? ???????? | 380 ??? | 450 ??? | 490 ??? |



