

???? ?????? ???? ???? ?????? ????? ??????? ???????? ?????? ???????? ???????? ??????? ? ???.

1. ???? ????? ???? ???? ????? ??????? ?????.
2. ???? ???????? ?????? ??????? ? ?? ????? ??????? ???? ??????? ???????? ????? ? ???? ????? ???? ???.
3. ????? ??? ??? ? ????? ???????.
4. ????? ????? ??????? ????? ?????? ? ???? ???? ???? ?????? ????????.
5. ????? ?????? ???? ??????? ?????? ? ???????? ????????? ???? CAN.
6. ???????? ??????? ??????? ??????? Modbus ???? ????? ??? ??????? ?????? ????? ??????.
1. ????? ???? ???? ???? ??????? ????? ????? ?????? ???????? ????????.
2. ???? ?????? ????? ?????? ??? ????? ?????? ???? ??????.
3. ??????? ?????? ??????? ? ???? ????? ????.
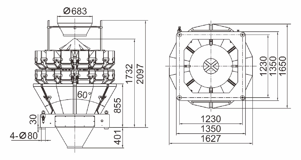
4. 60 ???? ?? ???? ????? ??????? ????? ?? ????? ??? ?????.
5. ??? ?????? ?? ??? ????? ????????? ? ??????? ?????? ?? ??? ??????? ? ???? ?????? ? ????? ??? ?????.
| ????? | JW-AM14 | JW-AM16 |
| ????? ????? | AM14-2-11 | AM16-2-11 |
| ???? ????? | 10-3000 ???? | 10-3000 ???? |
| ??? | ??? (1) | ??? (1) |
| ?????? ?????? | 80P / ? | 120P / ? |
| ??? ??????? | 7.5 ??? | |
| ???? ?????? | ???? ???? ?????? ???? 10.1 ???? | |
| ?????? | ????? ??????? / ??????? / ???? ????? | |
| ???? ??????? | ???? ???? | |
| ??????? ?????? | 220 ???? / 1500 ??? / 50/60 ???? / 12 ????? | 220 ???? / 2000 ??? / 50/60 ???? / 16 ????? |
| ????? ??????? (??) | 2080 (???) × 1540 (???) × 1830 (??????) | 2200 (???) × 1540 (???) × 1900 (??????) |
| ????? ???????? | 870 ??? | 870 ??? |



